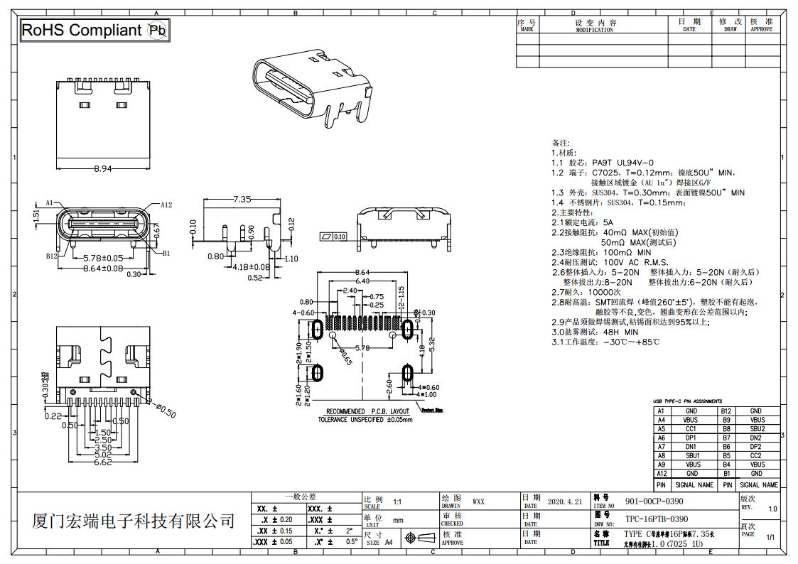
品名:TYPE-C连接器 单排 16P 卧贴 7.35mm长
型号:901-00CP-0390
优点:高导铜 端子镀金 信号传输稳定 价格适中
适用:智能家居 楼宇安防 无人机 数码影音 医疗器械
描述:TYPE-C连接器 单排 16P 卧贴 7.35长无弹有柱脚长1.0实现信号的稳定传输
型号:901-00CP-0390
优点:高导铜 端子镀金 信号传输稳定 价格适中
适用:智能家居 楼宇安防 无人机 数码影音 医疗器械
描述:TYPE-C连接器 单排 16P 卧贴 7.35长无弹有柱脚长1.0实现信号的稳定传输
